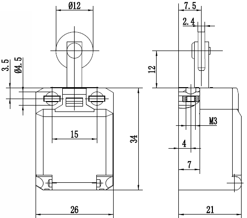
SMN-12安全限位开关

特点:
*高强度玻璃纤维增强尼龙材料
*可更换的触点模块,简单易用
*电气隔离式触点模块
*带垫螺丝方便接线
*常闭触点具有强制开离功能
*可前部安装
*出线孔:矩形8.5×3.5mm

规格:
操作速度: 0.05mm-2m/sec
操作频率: 机械:120ops/min 电气: 30ops/min
绝缘电阻: >100MΩ @ 500V DC
接点电阻:  <25mΩ
额定封闭发热电流: 10A (EN60947-5-1)
电气等级:  UL/cUL Listed(E216958) for AC15 A600/ DC13 Q300
耐压值: 同级端子间1000VAC 50/60Hz 1分钟
        端子对地或对无载金属间2500VAC 50/60Hz 1分钟
寿命:    机械 10,000,000次, 电气 500,000次
环境温度: -25 to +80°C (-3 to 176°F)
湿度:    <95%RH
防护等级:  IP30

上海:上海市黄浦区北京东路668号科技京城西楼11楼I室
电话:021-53082745 传真:021-53082746 邮件:suns-sh@suns-cn.com